一、產品介紹
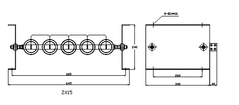
ZX15型電阻器系列由圓筒形鐵鉻鋁電阻元件組裝而成,電阻器適用于交流50Hz,電壓至660V及直流電壓至440V的電路中,主要用作電動機的起動、制動與調速電阻之用,其容量為4.6KW。ZX15系列電阻因工作溫度高,使用壽命長,重量輕,電阻溫度系數小等一系列優點已逐步替代ZX1型系列電阻器
ZX15系列產品可配制成RS,RT,RK,RQ,RP,RY,RZ起動調整電阻器。
二、型號定義
三、主要參數
|
序號
|
型號
|
允許電流(A)
|
總電阻(Ω)
|
電阻元件
|
|
發熱時間常數(秒)
|
數量
|
|
1
|
ZX15-5
|
215
|
0.10
|
186
|
5
|
|
2
|
ZX15-7
|
181
|
0.14
|
354
|
5
|
|
3
|
ZX15-10
|
152
|
0.20
|
252
|
5
|
|
4
|
ZX15-14
|
128
|
0.30
|
144
|
5
|
|
5
|
ZX15-20
|
107
|
0.40
|
186
|
5
|
|
6
|
ZX15-28
|
91
|
0.56
|
354
|
5
|
|
7
|
ZX15-40
|
76
|
0.80
|
252
|
5
|
|
8
|
ZX15-55
|
64
|
1.2
|
144
|
5
|
|
9
|
ZX15-80
|
54
|
1.6
|
225
|
5
|
|
10
|
ZX15-110
|
46
|
2.1
|
255
|
5
|
|
11
|
ZX15-75
|
39
|
3.0
|
192
|
5
|
|
12
|
ZX15-105
|
33
|
4.2
|
78
|
5
|
|
13
|
ZX15-140
|
29
|
5.6
|
50
|
5
|
|
14
|
ZX15-200
|
24
|
8.0
|
45
|
5
|
|
15
|
ZX15-280
|
20
|
11.0
|
90
|
5
|
四、外形結構
